JTLB 20 G
JUNG JTLB 20 G on teolliseen käyttöön suunniteltu tandem-siirtorullasto, joka yhdistää korkean kantavuuden ja hallitun liikkeen. Se soveltuu erinomaisesti muun muassa tuotantotiloihin, kunnossapitoon ja erilaisiin asennustöihin, joissa kuormat ovat raskaita, mutta siirtojen on onnistuttava tarkasti ja turvallisesti myös tiukoissa aikaraameissa.
Vahva runkorakenne ja kulutusta kestävät, lattiaa suojaavat pyörät tekevät JTLB 20 G:stä toimintavarman työkalun päivittäiseen ammattikäyttöön. Mikä parasta, rullasto on helposti yhdistettävissä muihin JUNGin siirtoratkaisuihin. Monikäyttöisyys mahdollistaa joustavien ja kohdekohtaisten siirtokokonaisuuksien rakentamisen myös kaikkein haastavimpiin ympäristöihin.
Miksi valita JUNG JTLB 20 G -siirtorullasto?
- kestää toistuvaa ja pitkäaikaista kuormitusta
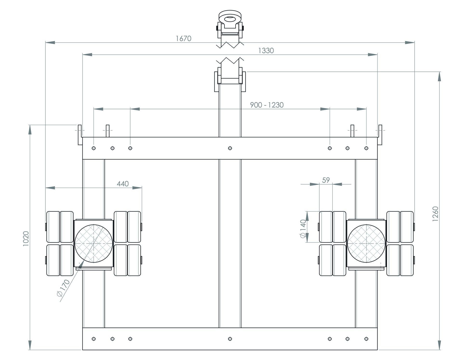
- kantavuus yhteensä 20 tn
- korkeus 180 mm
- vetopää varustettu silmukalla
- pyörät eivät jätä jälkiä lattiaan
- rullasto-osat käytettävissä myös erikseen
- täyttää ASME B30.1 -standardin vaatimukset
Tarjoamme Suomen laajimman siirtorullastojen valikoiman niin pysyvään käyttöön kuin satunnaisiin vuokraustarpeisiin. Oma huoltopalvelumme kunnostaa rullastot nopeasti takaisin käyttökuntoon, ja kattava varastomme yhdistettynä luotettaviin toimituskanaviin takaa varaosien saatavuuden myös akuuteissa tarpeissa. Saat meiltä myös tarvittavat lisävarusteet ja kynsitunkit siirron tueksi.



